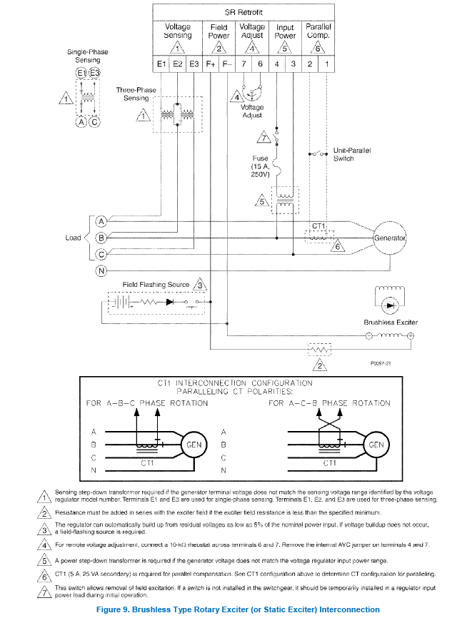
아날로그 전압 조정기 SR4A, Retrofit Voltage Regulator (Exciter Power: 63Vdc, 7Adc)
페이지 정보
작성자 최고관리자 댓글 0건 조회 1,546회 작성일 21-03-09 15:11본문
SR4A, Retrofit Voltage Regulator (Exciter Power: 63Vdc, 7Adc)
댓글목록
등록된 댓글이 없습니다.


발전기용 자동전압 조정기(AVR)