발전기용 자동 동기장치(Auto Synchronizer)

본문 바로가기
사이트 내 전체검색

발전기용 자동 동기장치(Auto Synchronizer)
> 제품소개 > 발전기용 자동 동기장치(Auto Synchronizer)

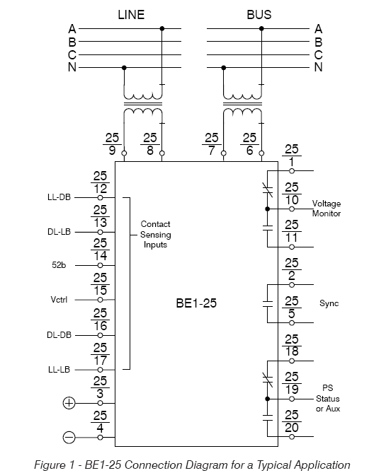
Sync-Check Relay BE1-25 (Sync-Check Relay)

페이지 정보

작성자 최고관리자 댓글 0건 조회 2,275회 작성일 18-11-08 09:18

본문


Model BE1-25 (Sync-Check Relay)

댓글목록

등록된 댓글이 없습니다.


주소 : 서울특별시 마포구 마포대로 4 다길18 강변한신코아빌딩 1211호 | 대표 : 조성길 | 사업자등록번호 : 105-87-36497
TEL.: 02)703-5781 | FAX: 02-703-5788 | E-MAIL : karma225@naver.com
COPYRIGHT kamatech.kr. ALL RIGHTS RESERVED.