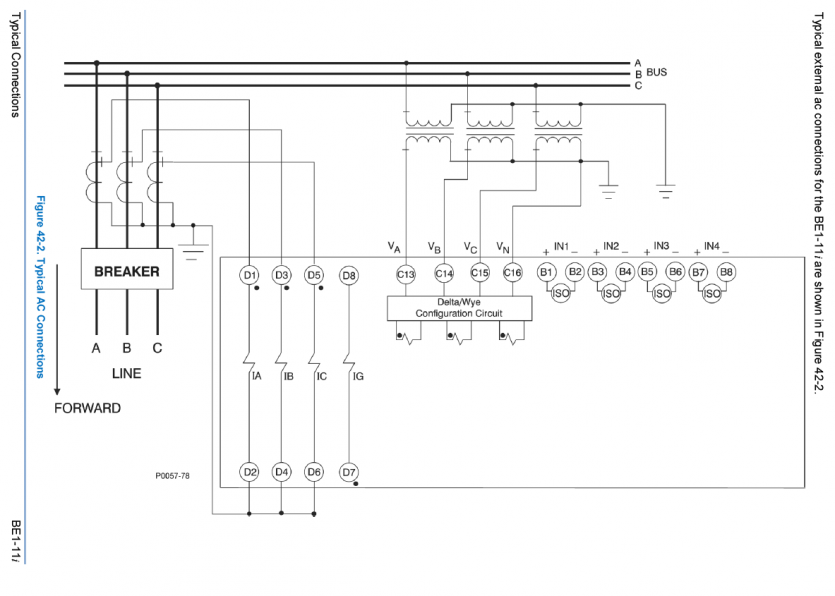
디지털 통합 계전기 BE1-11i (Intertie Protection System)
페이지 정보
작성자 최고관리자 댓글 0건 조회 3,532회 작성일 18-11-07 08:51본문
* 이미지를 클릭하시면 확대됩니다. (Click to Enlarge)
BE1-11i (Intertie Protection System)
- 이전글BE1-11M (Motor Protection System) 18.11.07
- 다음글BE1-11T (Transformer Protection System) 18.11.07
댓글목록
등록된 댓글이 없습니다.


산업용 보호 계전기(Protection Relay)