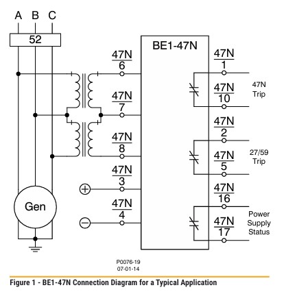
정지형 보호 계전기 BE1-47N (Negative Sequence Voltage Relay)
페이지 정보
작성자 최고관리자 댓글 0건 조회 1회 작성일 26-03-31 09:32본문
BE1-47N (Negative Sequence Voltage Relay)
- 이전글BE1-50 (Instantaneous Overcurrent Relay) 26.03.31
- 다음글BE1-40Q (Loss of Excitation Relay) 26.03.31
댓글목록
등록된 댓글이 없습니다.


산업용 보호 계전기(Protection Relay)

