산업용 보호 계전기(Protection Relay)

본문 바로가기
사이트 내 전체검색

산업용 보호 계전기(Protection Relay)
> 제품소개 > 산업용 보호 계전기(Protection Relay)

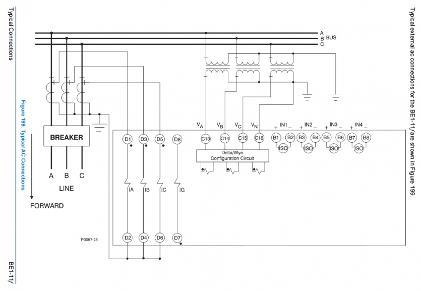
디지털 통합 계전기 BE1-11F (Feeder Protection System)

페이지 정보

작성자 최고관리자 댓글 0건 조회 3,185회 작성일 18-11-07 08:40

본문


* 이미지를 클릭하시면 확대됩니다. (Click to Enlarge)

BE1-11F (Feeder Protection System)

댓글목록

등록된 댓글이 없습니다.


주소 : 서울특별시 마포구 마포대로 4 다길18 강변한신코아빌딩 1211호 | 대표 : 조성길 | 사업자등록번호 : 105-87-36497
TEL.: 02)703-5781 | FAX: 02-703-5788 | E-MAIL : karma225@naver.com
COPYRIGHT kamatech.kr. ALL RIGHTS RESERVED.