DGC-2020HD Load Sharing Connection
페이지 정보
작성자 최고관리자 댓글 0건 조회 6,160회 작성일 20-07-28 11:17본문
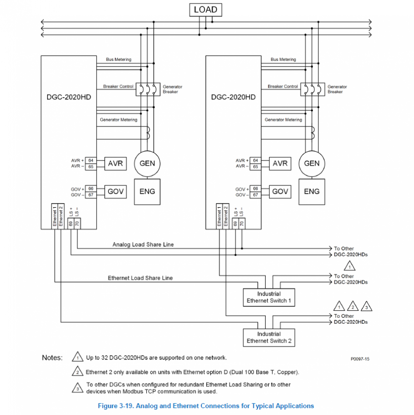
Basler Electric Model DGC-2020HD Analog Load Share Line and Ethernet Load Share Line 결선방법입니다.
네트워크에서 DGC-2020HD 32대까지 Load Sharing 가능합니다.
동기장치(Auto Syncroniter) 전압조정 및 스피드 조정은 Dry contact or Analog로 Bias 가능합니다.
네트워크에서 DGC-2020HD 32대까지 Load Sharing 가능합니다.
동기장치(Auto Syncroniter) 전압조정 및 스피드 조정은 Dry contact or Analog로 Bias 가능합니다.
- 이전글<발전기 병렬운전 방법> 두룹(Droop), 횡류보상회로(C.C.C), 네트워크부하분담(NLS) 20.07.29
- 다음글과여자/저여자 보호계전 모델 ES-74S 20.07.27
댓글목록
등록된 댓글이 없습니다.


자료실