<한글> 바슬러 모델 MVC300 사용매뉴얼
페이지 정보
작성자 최고관리자 댓글 0건 조회 6,161회 작성일 18-10-19 09:22본문
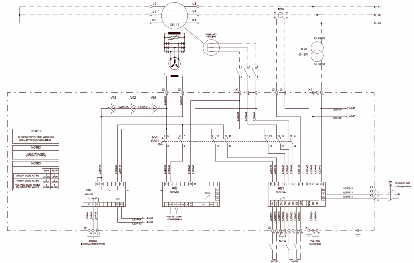
* 이미지를 클릭하시면 확대됩니다.
첨부파일
- MVC300 한글 사용설명서.pdf (528.4K) 54회 다운로드 | DATE : 2019-11-08 12:05:56
댓글목록
등록된 댓글이 없습니다.


자료실