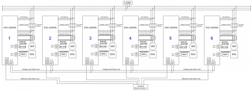
비상용 발전기 6대 (2000kW x 6) 병렬 kW Load Sharing
페이지 정보
작성자 최고관리자 댓글 0건 조회 3,914회 작성일 21-01-14 09:57본문
*사진을 클릭하시면 확대됩니다. (click to enlarge)
Genset Controller DGC2020HD
-Synchronizing, kW Load Sharing, Protection(Including 87), Var/Pf Control, etc.
Digital Excitation Control System DECS-150(125Vac, 10Adc)
- AVR, FCR, Var/Pf, etc.
Genset Controller DGC2020HD
-Synchronizing, kW Load Sharing, Protection(Including 87), Var/Pf Control, etc.
Digital Excitation Control System DECS-150(125Vac, 10Adc)
- AVR, FCR, Var/Pf, etc.
댓글목록
등록된 댓글이 없습니다.


공지사항