Digital Genset Controls Training

본문 바로가기
사이트 내 전체검색

Digital Genset Controls Training
> 바슬러 전제품 사용교육 > Digital Genset Controls Training

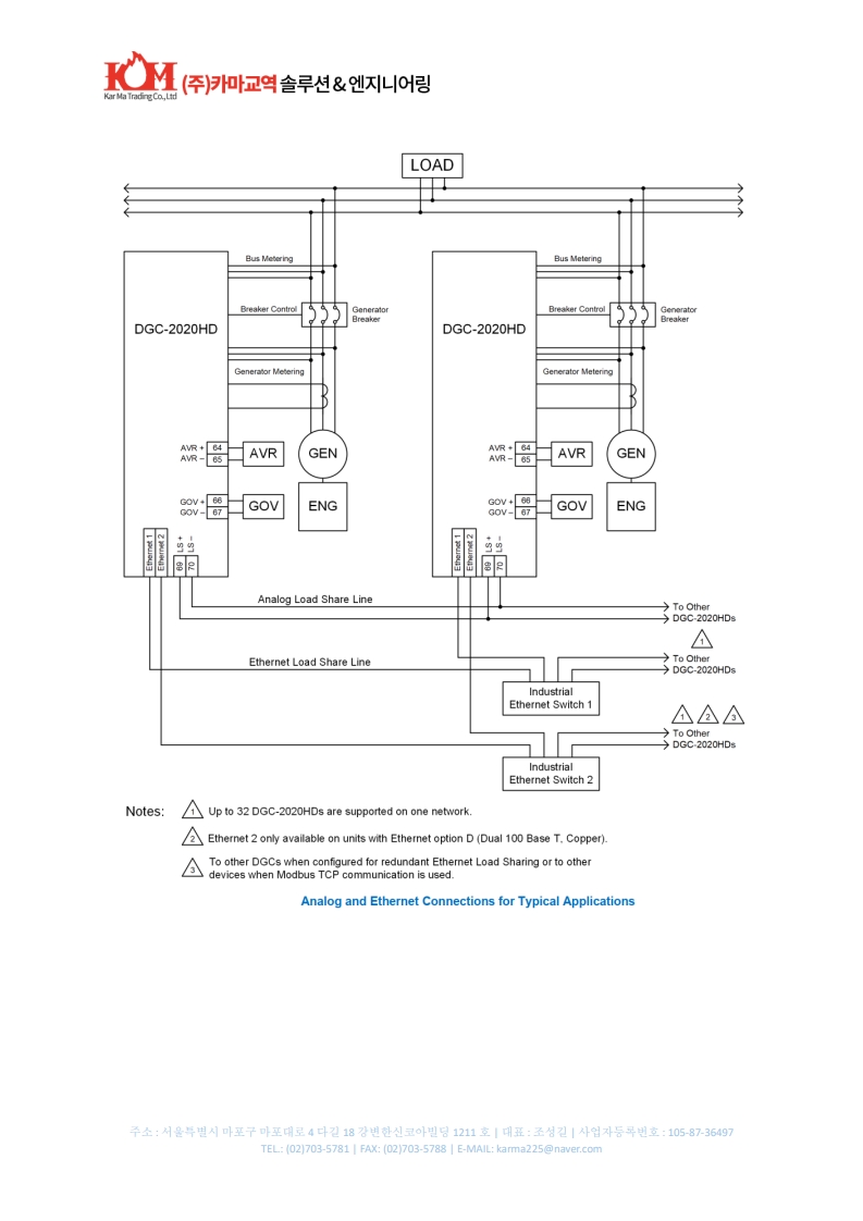
발전기 4대 병렬 차단기 제어(52G1-52G4) 및 52 Group,52 Main 차단기 제어 구성방식

페이지 정보

작성자 최고관리자 댓글 0건 조회 536회 작성일 25-07-09 10:06

본문



첨부자료 확인 부탁드립니다.

댓글목록

등록된 댓글이 없습니다.


주소 : 서울특별시 마포구 마포대로 4 다길18 강변한신코아빌딩 1211호 | 대표 : 조성길 | 사업자등록번호 : 105-87-36497
TEL.: 02)703-5781 | FAX: 02-703-5788 | E-MAIL : karma225@naver.com
COPYRIGHT kamatech.kr. ALL RIGHTS RESERVED.